2023年3月末現在、機械式スーパーチャージャー(SC)を備える日本のエンジンは、マツダのHF-VPH:SKYACTIV-X(マツダ3/CX-30)のみ。少し前には日産のHR12DDR(ノート)がSCを用いていたが、現在は日本市場においては姿を消している。しかしかつては日本車の8ブランドすべてがSC過給エンジンをそろえていた。日本初だったのはトヨタの1G-GZEで、7代目クラウンに搭載されている。

トヨタのミッドシップ車であるMR2は、1984年6月の登場。当初は1600ccの4A-GELU型および1500ccの3A-LU型のふたつのパワートレインだったが「アメリカでテストを重ねていたころから、もっとパワーが欲しい、トルクも大きいほうがいいなァと感じていた」という有馬主査の考えから、1986年8月登場の後期型にはSC過給の4A-GZE型がMR2にも搭載されることになる。
なぜSC過給だったのか。パワー/トルクを上げる一番の早道は排気量拡大だったが、ミッドシップ車であるMR2のエンジンルームにはこれ以上の大きさのエンジンを収めるのは難しい。ならば採る手段としては過給となる。すると、ターボかSCか。当時のターボチャージャー過給はラグが大きく、さらに日本市場をはじめとするMR2というクルマの使われ方を考えればレスポンスが良く低速トルクが大きなエンジンがふさわしい。有馬主査は「たまたまクラウンのスーパーチャージャー付きが先行して発売されたが、ターボかスーパーチャージャーかの検討や選択は、MR2もほぼ並行して行われていたといっていい」と、当時を振り返っている。

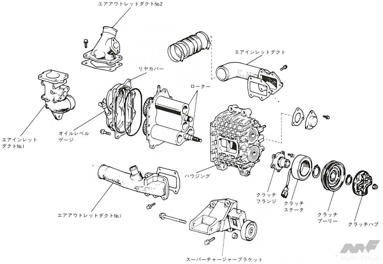
SCはSC-12の型番が振られた製品。2ロータ式のルーツブロワであり、したがって内部圧縮はない。1G-GZEに備わるSCより22mm短く、理論吐出量は1.2ℓ/回転のスペック。ハウジングはアルミ合金製で、クリアランスを極力詰めたいことからロータ側には樹脂コーティングが施されている。
レスポンス重視から、ラグの大きなターボではなくSCを選んだのは先述のとおり。ただしSCはターボとは逆に、エンジン回転が高くなると負荷になってしまう性質を持つ。そこで、過給のOn-Offコントロールのために電磁クラッチを備えるのが常道。4A-GZE型の場合は600rpmからクラッチがつながり、過給圧が高まり過ぎた場合にはエアのバイパスバルブを開いてコントロールしている。なお、このバイパスバルブは600rpm以下の軽負荷領域でも開き、吸気をSCを通さずに吸気流路に直接流す。




これらにより、最高出力は108kW(145ps)/6400、最大トルクは186Nm(19kgf·m)/4400rpmを達成。4A-GELU型が130ps/15.2kgf·mだったから、相当のパフォーマンスアップを果たした格好である(ただしこちらはグロス表記)。
クランクシャフトは燃焼圧力の向上に対応するためにピン径を2mm増やして42mmへ。ピストンも鍛造製品に改められて高温対策とし、ピストンピン径もやはり2mm増した20mmとしている。ヘッドガスケットには水路/油路の一部にゴムリングを配するとともにボアグロメット内側にワイヤリングを施し、シール性と耐久性を高めるとともに、シリンダーブロックはリブの立て直しなどで剛性アップを図った。
エンジンの整備重量はMT用で143kg/AT用で136kgで、そのうちスーパーチャージャーの重さは10.8kg程度。寸法は長さ605mm幅632mm高さ653mm。
■ 4A-GZE 気筒配列 直列4気筒 排気量 1587cc 内径×行程 81.0×77.0mm 圧縮比 8.0 最高出力 145ps/6400rpm 最大トルク 19.0kgm/4400rpm 給気方式 スーパーチャージャー カム配置 DOHC 吸気弁/排気弁数 2/2 バルブ駆動方式 直打 燃料噴射方式 PFI VVT/VVL ×/× (MR2)
ミッドシップ車のドライブトレーン構成、どこに置く? どう置く?[内燃機関超基礎講座]
トヨタ「天才タマゴ」の75度も傾けたエンジン:初代エスティマ[2TZ-FE]
三菱i(アイ)の後傾45度/リヤ搭載の3気筒ターボ[3B20]
