時代の名車探訪・ソアラの第6回目にして、先進デバイスクローズアップ編第2回目は「クルーズコンピューター」に着目する。
現在、自動車のメーターにセグメント式ではない、多彩表示の液晶が用いられるようになって長く、ここに瞬間燃費や平均燃費ばかりか走行時間、平均車速、はてはバーグラフまで表示されるようになったが、「クルーズコンピューター」は、いわばこれらのご先祖様にあたる。
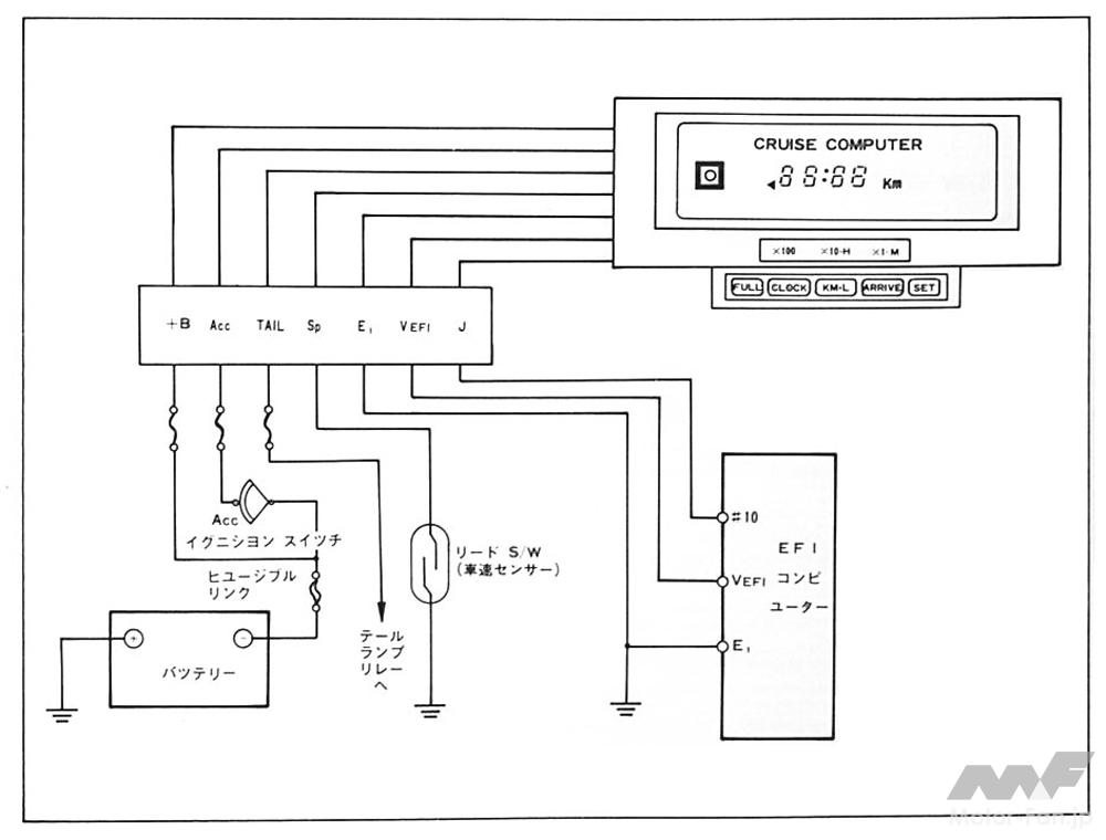
解説・クルーズコンピューター
1970年代末から80年代にかけ、上級寄りの機種の一部でいっとき流行った電子デバイスのひとつにドライブコンピューターがある。日本では日産が1979(昭和54)年3月に発表したシルビアの「ドライブコンピューター」が初で、その直後の6月に身内のセドリック/グロリアが追従し、以降、ローレルやレパードに拡大されている。





トヨタでは同じ年の11月に発表されたクラウンの「クルーズコンピューター」が最初で、次にマークII/チェイサー/クレスタが続き、初代ソアラが後を追った。

両社いずれも内容は似たようなもので、基本的な機能は「積算トリップ」「減算トリップ」「経過時間」「平均車速」などを表示するものだ。
初期のものは0から9までのボタンがずらり。シャープかカシオの電卓のボタンを当てはめたかと思うもので、実際初期の日産のものには「+」「-」「×」「÷」のボタン&電卓機能もあったが、それはともかく、肝心の機能は、いまの目で見れば時間と距離を要素とする機能ばかりで、燃料噴射量情報を加味して燃費表示するまでには至っていない。
シンプル化を図ったソアラの「クルーズコンピューター」
さて、主題のソアラの「クルーズコンピューター」だ。
クラウンやマークIIの反省があったのか、ずらりのぞろっぺだったボタン数はかなり整理され、関連するスイッチ数はたったの5つに集約されている。


ボタンが5つなら表示内容も5つ。次のとおりだ。
1.航続可能距離
2.到着予想時刻
3.減算距離
4.消費燃料
5.時刻
ひとつひとつ解説していく。
1.航続可能距離
2.到着予想時刻
「平均車速」「現在時刻」、そしてあらかじめ入力しておいた「目的地までの距離」から目的地への到着時刻を計算して表示する。
計算に用いる「平均車速」は過去1.5分間の走行距離データから計算してはじき出す。
3.減算距離
4.消費燃料
5.時刻
12時間法によって現在時刻を表示する。
正時合わせは、ディスプレイ左の四角いボタン押しで行い、例えば「9:53」のときに押すと「10:00」になり、「10:08」のときに押すと10:00になる。
【操作方法】
ここで、これらのうちの「2.到着予想時刻」「3.減算距離」を使う場合の操作を行なってみよう。
例:到着予想時刻1:01(1時1分)表示のとき、新たに111km走行するとして到着予想時刻をあらためて算出したい場合。

航続距離および消費燃料の表示は次の操作で行なう。

ところで4の「消費燃料」は、満タン時からの消費燃料の量を計算して表示するものだ。ということは、いつ満タンになったのかをクルマが知っていなければならない。それを教え込むためのものがいちばん左の「FULL」ボタンで、給油して満タンにしたとき、このボタンを3秒以上押すことで「いま満タンにしたこと」をクルマに覚え込ませる(「満タン認知」)。
いまのものと比べれば・・・?
一見先進的に見えるクルーズコンピューターだが、目的地セットしさえすれば、走行に応じて平均車速をはじき出し、平均車速に応じて残距離や到着時間をほぼ正確に演算してくれるナビに慣れた現代人にはずいぶん原始的に見える。
ここまで書いてわかるように、ここに表示される数値は、あらかじめ入力しておいた、「目的地までの正しい距離入力」がありきになっている。
これが正しくなければ、到着予想時刻より早く着いてしまったとか、残りの距離表示よりも5km余分に走って目的地に着いたといったことになりかねない。
となると、実際、どれほど有用に使っていた人がいたのかという疑問が湧いてこないでもない。
というのも、いま私たちのナビの使用形態を思えば理解できるように、この手のデバイスは、初めての地に行くときにこそ目的地到着時間や残距離といったデータが有用になってくる。初めて行く地ならわざわざマップゲージ(地図の上をなぞるとセットした縮尺に応じて距離が指針で表示される道具)で測ってでも入力するだろうが、行き慣れた場所なら距離ばかりか残距離だって移動時間だって経験からおおよそわかっているわけで、実際には、喜び勇んで使ってはみたものの、それも初めのうちだけで、多くは距離入力が面倒になり、ほとんど使われないまま売却や廃車を迎えたソアラも多かったのではないだろうか。
もうひとつ、ソアラの全機種がEFI(電子制御燃料噴射)を用い、このクルーズコンピューターも回路図上でEFIコンピューターと接続されている割に、そして航続可能距離を表示する割に、クルーズコンピューターに燃費表示機能がないところもおもしろい。もっとも、おもしろいだなんていえるのは、やれ瞬間燃費だの平均燃費だの、過剰ですらある多大な情報を示すいまのクルマのマルチインフォメーションディスプレイに慣れきっているからだが、当時、燃費表示しない点に不満を抱くひともいたであろうことは想像に難くない。

EFIなら燃料噴射量の計算はしているはずで(はずというより必須)、いっぽうで距離減算しているなら当時なりの精度で平均燃費の計算くらいできそうなものだ。素人でさえ考えつくくらいのことを当時のトヨタ開発陣が考えていないはずはなし・・・やはり当時のマイコン(いかにも当時風の表現)では荷が重かったのだろうか。
そう考えると、いまは軽自動車でさえ燃費計がついているが、80年代のクルーズコンピューターの在り方を見ると、現在のものがいかに進化し、よくできているか、認識させられる。
ずいぶん乱暴でかけ足な解説の仕方でご不満の読者の方もいらっしゃろうが、以上、初代ソアラに搭載された「クルーズコンピューター」のお話でした。
次回は・・・なーんだ?
初代ソアラ解説、先進デバイスクローズアップ編第3弾でまたお逢いしましょう。
【撮影車スペック】
トヨタソアラ 2800 GT-EXTRA(MZ11型・1981(昭和56)年型・OD付4段フルオートマチック)
●全長×全幅×全高:4655×1695×1360mm ●ホイールベース:2660mm ●トレッド前/後:1440/1450mm ●最低地上高:165mm ●車両重量:1305kg ●乗車定員:5名 ●最小回転半径:5.5m ●燃費:8.1km/L(10モード燃費)、15.5km/L(60km/h定地走行燃費) ●タイヤサイズ:195/70HR14ミシュラン ●エンジン:5M-GEU型・水冷直列6気筒DOHC ●総排気量:2759cc ●圧縮比:8.8 ●最高出力:170ps/5600rpm ●最大トルク:24.0kgm/4400rpm ●燃料供給装置:EFI(電子制御燃料噴射) ●燃料タンク容量:61L(無鉛レギュラー) ●サスペンション 前/後:ストラット式コイルスプリング/セミトレーリングアーム式コイルスプリング ●ブレーキ 前/後:ベンチレーテッドディスク/ベンチレーテッドディスク ●車両本体価格:293万8000円(当時・東京価格)
80年代の幕開けに現れたトヨタの走る技術のショールーム・初代ソアラを再検証【時代の名車探訪 No.1-1 トヨタソアラ・GZ10/MZ11型・1981年(昭和56)年・概要&外観編】
